PCB Connector-PlugKPG-250
KPG-250
2.50mm,150V,4A
| Approval |
|
| Category | PCB Connector-Plug |
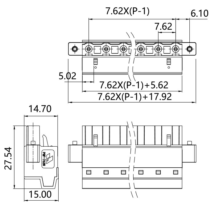
| Model | PGF-762N |
| Pitch | 7.62mm |
| Poles | 02P~12P |
| Plug-in direction | Plug-in direction parallel to the conductor axis |
| Color | Green |
| Pitch[mm] | 7.62 |
| Technical data in accordance with IEC/DIN and VDE | |
| Insulation materialgroup | I |
| Surge voltagecategory/contamination class | III/3 III/2 II/2 |
| Rated voltage[V] | 400 630 1000 |
| Rated surge voltage[kV] | 6 6 6 |
| Rated current/Cross section[A]/[mm2] | 12/2.5 |
| Maximum load current/Cross section[A]/[mm2] | 12/2.5 |
| Capacity connection | |
| Rigid/flexible conductor/conductor sizes[mm2]/[mm2]/AWG | 0.2-2.5/0.2-2.5/24-12 |
| Flexible conductors with cold pressing tip with/without plastic sleeve | 0.25-2.5/0.25-2.5 |
| Multiple connection(2 conductors with same cross section) | |
| Rigid/flexible conductor[mm2] | 0.2-1.5/0.2-1.5 |
| Stranded with ferrule without/with plastic sleeve[mm2] | 0.25-1 |
| Stranded with ferrule with plastic sleeve[mm2] | 0.5-1 |
| Stripping length[mm] | 10 |
| Internal cylindrical gauge(IEC 60 947-1) | A3 |
| Thread | M2.5 |
| Torque[Nm] | 0.4-0.45 |
| Insulating material | PA |
| Inflammability class in acc.with UL 94 | V0 |
| Approva ldata(UL/CUL and CSA) | |
| Rated voltage/Rated current/conductor sizes UL/CUL:[V]/[A]/AWG | 300/10/30-12 |
| CSA:[V]/[A]/AWG | 300/12/22-12 |

Joinect provides samples for user experience
PGF-762N